Damned Technology
UPDATE
I managed to flatten my leisure battery!
Bummer.
I left the van parked up with everything switched off but I forgot to switch off the fridge and it was on battery power.
Now the fridge is switched off when the engine is not running BUT I left the fridge door slightly open and the fridge light was on.
It’s only 2 watts but that corresponds to 4 ampere hours (AH) per day. It was March so the wee solar panel contributed very little. A month results in 112 AH – so flat battery.
I should have used the isolator switch. Anyway I charged it up again with the CTEK charger and it’s working OK but capacity is almost certainly reduced – but to what?
After charging the wee solar panel has kept the voltage of both batteries around 12.8V
Back in 2014 when I first did my calculations I estimated that phones, tablets, and computers would take an average of 14AH a week while were out and about at festivals and on holidays.
Things have changed in five years. The technology items have got more power hungry and we find that we use the van a lot to visit folk so we spend a lot of time sitting in it. So we use more power demanding technology more often – a classic double whammy.
Here is what he have been doing over the last (incredibly wet) week in the van. (most charged from Buck/Boost converters so capacities normalized to 12V)
| Device | Battery | % use per Day | AH used per day |
| Lap top | 4AH | 75% | 3 |
| Ipad | 3.6AH | 50% | 1.8 |
| Smart Phone | 1.2H | 100% | 1.2 |
| iPhone | 0.6AH | 15% | 0.09 |
| ======= | |||
| 6.09 | |||
| ====== |
That’s about 42AH per week!! In 2014 I estimated 14.1AH!!!! Add in the 13AH for the fridge re-igniter and 15AH for the lights and we are using around 72AH per week.
If you compare my various estimates you may see that they vary from page to page. Not a lot. This is simply because as time goes on I can estimate better.
Now this has been an unusual week and the battery has survived because the week has been punctuated with some travelling and a couple of times I ran the engine and the wee solar panel has helped a little.
But more power is needed for this damned technology. I don’t need 72AH per week. The leisure battery can still supply a fair amount of power before it reaches 50% charge and the last weeks consumption is abnormally high, but a bit of a safety margin would be good.
So I replaced the 10W panel with a 40W panel (it still fits inside under the roof window) I can get 4 times what I calculated last time -about 8AH per day, probably 12AH per day in the summer months. That would cover everything we use.
In the winter I will get less from the solar panel, but 45 mins running the engine (stationary or travelling) would compensate for a days usage.
A non standard approach
The usual method of using a panel is to attach it to the roof then use a charge controller to regulate the charge. Reading on the forums, the biggest hassle seems to be with charge controllers and the fitting of the panels. So I decided to fit a 40W panel INSIDE the van under the roof window and not use a controller.
After a few days of glorious sunshine without a controller , the batteries were up to 15.6V. This is too high, so obviously a controller was needed, so I made one.
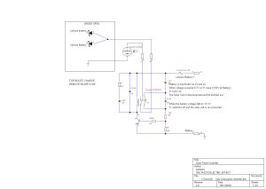
Here it is:-

The sun shines and the battery voltage rises to 13.8V, then the relay operates which switches the solar panel OUT.
The battery voltage will fall, very slowly, due to the current taken by the relay.
The voltage gradually drops to around 13.1V and the relay drops out (minimizing drain on the battery) and the solar panel switches IN. The load on the battery at this point is around 5mA down through the Zener diode.The LED is simply to tell if it is working or not.
The voltage will always fall to 13.1 (or below at night time) as the o/c voltage of a flooded lead acid battery is around 12.7V.
When the panel switches in again, the leisure battery voltage can only rise as fast as the vehicle battery. So the lowest voltage battery will charge first then they will charge together until the voltage reaches 13.8V. This is where we came in.
During the winter, there is little charge from the solar panel, but by simply removing the fuse, the controller is disabled, and all of the current from the solar panel will feed into the batteries utilising those days when we do get a bit of sunlight. The voltage now may get above 13.8V
The wiring needed a slight mod to incorporate the controller,

Update – After a weekend at a folk festival with overcast weather every day, the leisure battery showed around 13.5V every night and around 12.7V every morning. This was charging two phones and ipad, a laptop, operating the lights (including the awning light for around 3 – 4 hours).
The job’s a good’un
The panel supplies BOTH the leisure battery and the vehicle battery. They are separated by a couple of diodes so they can both be charged by the solar panel but cannot discharge into each other. This means that the lowest voltage is charged first then they charge together until the leisure battery reaches 14V. So the panel is looking after them both. The added bonus is that the small steady drain to the remote locking mechanism is compensated for.
I think the Nuevo habitation electrics are now finished.
We have had it now for 5 years and covered 80,000 miles, spending hundreds of nights in the van. We have used a hook up once the only time we were on a campsite. The rest of the time has been wild camping or a folk festivals with few amenities.
Update. A few days ago the company I bought the van from phoned to ask if I’d like to trade it in. I considered the offer for a millisecond before saying NO. I have not seen ANY van which is more suited to our lifestyle.
Update 9/8/2020
Thanks to Covid 19 the van has not been used since late last year. The solar panel and controller have kept both batteries at 13.2V without attention.
Update 13/04/2022
We only had one trip in the van last year, but now we are getting it ready for this year. When I pushed the button to check the battery voltage I blew a fuse! It turns out this is a fault in the digital panel meter. I disconnected it. But thanks to the label on the fuse box telling me the fuse number and the position, it was fixed in couple of minutes.
A new panel meter ordered from ebay and fitted. (The rather nice looking box is actually an old harmonica case.)I found that the meter reads about 0.2V low at around 13V so ,as shown, the real voltage is 13.3V
The system has performed flawlessly and both batteries are still at around 13.2V. But the leisure battery (Varta LDF90 which has been flattened once – see above) and starter battery (019 Enduroline ) are four years old now. We are heading off for a longish trip soon, so we will see how they are doing.
Update 31/08/2023
Just back from Towersey Festival. Four days without the engine running and batteries still around 12.9V first thing in the morning. The solar panel gives about 1.5A when the sun is shining and about 0.5A when the sky is overcast.
But I had managed to flatten the vehicle battery before we set out! The day before the trip we went to the van to load up luggage and we noticed the radio was on. No sound, as it was set to bluetooth but not connected to anything. The engine would not start! But I have jumper cables, and I connected the leisure battery across the vehicle battery and that was enough to get her going. I let the engine run for 45 minutes or so as we packed the van. The next day and every time since the engine has started without difficulty.
But I did notice last winter that it was labouring. The battery was fitted in February 2018 so it’s five years old now. Time for a replacement soon. I’ll probably go for the same one I use as a leisure battery – a Yuasa L36-EFBfrom Tayna.