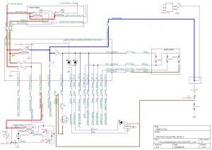
The wee solar panel
But I think I can do better. I am changing the unit to allow the panel to charge both the vehicle battery AND the leisure battery. They are both new batteries and are both flooded lead acid.
The leisure battery, when the van is parked, supplies zero current. The vehicle battery supplies the circuitry for the remote locking receiver, the burglar alarm, and the radio memory. It’s not much, around 50mA. That is about 1.2AH per day. The panel should easily provide that even in winter.
When the power is split using diodes, it’s the lowest voltage battery which will take the current until it’s voltage appoaches the same as the other one.

So what can I expect from a wee 10W panel. Below is a graph taken from Meteoblue

It’s April as I write this and according to Meteoblue I should get about 950Wh from the panel. Sounds impressive!!
But that is at 20V, and I don’t have a converter so that is 47.5Ah – or about 1.6Ah per day. (If I put in a converter with 90% efficiency I could get that up to 1.9Ah but the added complexity is not worth it in my opinion)
The starter battery seems to be supplying a steady continuous 75mA which I suspect is mostly to the remote door locking system. That is 1.8Ah per day. The leisure battery supplies nothing. Gosh that’s close. If I add in the combined self discharge currents (say 10mA total) that takes the discharge to over 2AH per day.
I am now not surprised when folk say their battery flattens in a month!
A few days after fitting the new arrangement, 10am, Weather a lttle cloudy.
The leisure battery is sitting at 12.9V taking and supplying zero current. It is fully charged.
The starter battery is at 12.7V and taking 0.3A from the solar panel. This will be partially replacing the power from the steady drain from last night. (radio, remote doorlocking etc). As the voltage increases to 12.9V the current will split and both batteries will be getting topped up.
Will this conversion to a solar make me change to a roof covered in panels? Absolutely Not. I stand by all of my original comments in Power use management.
Now, next post in another four years maybe?