The Nuevo comes as original with a 70AH battery and is obviously designed to be operated on regular electrical hookups with a day, or maybe two days wild camping. But that’s not what we do. We seldom use campsites and we can spend days or weeks without a mains connection.
This is an account of how we have found ways to manage it.
For much of the investigation was a digital multimeter on the 10A setting inserted in the negative battery lead. This however is not a good way to measure the charging current.
Basically we needed to balance the charge going into the battery with the charge coming out. Taking a measurement using the inline meter indicated that the charging current when the engine is only 4 amps! But the insertion of the meter drastically effects the charging current. According to the meter itself, the lead-to lead resistance is 0.25 ohms. At 4A that means I am losing 1V across the meter. A difference in charging voltage of 1V drastically effects the charging current.
There is a 50A fuse in series with the battery. According to the fuse specifications the resistance of the fuse is 0.0011ohms. I used the battery for a few hours to discharge it a little, then started the engine and measured the voltage across the fuse. I measured 18mV, so charging current is around 16A.
I decided on a target to aim for of 8AH or less drawn from the battery in a normal day. Note that this is irrespective of the size of the leisure battery.
Steady drain
0.12 amps is continually drawn from the battery to power the control panel. 0.08 amps is added by the fridge re-igniter. Thus may not seem much but it’s on 24 hr and adds up to 4 .8 AH per day.
The battery is probably specified at 50% discharge which is 35AH. Leave the van for 7 days and I am running the battery past its specified operating range. Now when I leave the van for a few days I usually turn the fridge off. But the drain due to the panel, and any chargers which are still connected is still an issue over a few days, and a disaster over a few weeks.
The modern solution to leaving the van for days or weeks seems to be an £X00 solar panel installation. I decided on the old cheap solution of a £6 battery isolator switch. Fitted in a few minutes.
Lighting
I replaced the 10W halogen spots with 1.6W LED spots, and the double tube 8W fluorescents with led strips taking 4.8W per fitment.
The spots are about the same brightness as the halogens, but the LEDS are much brighter than the tubes.
In the dark days of autumn and winter we find that we have a couple of spots on for around 6 hours supplemented by the overheads for about an hour That’s about 2AH.
Ancillaries
The water pump, and the loo pump take around 2 amps but as theyonly run for maybe 2 minutes a day the consumption is negligible. The same goes for the fridge light and the loo lights (converted to LEDs taking 0.2 amps each)
The heater fan is more problematic. It takes about 1 amp, so we only use it for 10 mins at a time to heat up the shower room.
Technology

My old Nokia phone has a 800mAH battery. That translates to about 0.4AH from the 12V supply. But it only loses about 30% a day so that’s 0.12AH
I have a Nexus 7 with a 16Wh battery. That will take about 1.5AH from the 12V to charge it up. It loses about 50% a day so that 0.75AH.
My partners iphone is about 5Wh. it loses about 50% over a day so thats 2.5Wh or 0.2AH
BUT
The laptop has a 5.2AH battery and it will take about 5.2AH from the 12V to recharge it. This is a lot.
But the laptop car charger is a powerful beast and recharges the lap top at about 1% per minute. So we connect it to the vehicle cigar lighter socket and it keeps charged with no drain on the leisure battery. So we can watch TV or a recorded program for a few hours at night with no drain on the leisure battery.
The ipad has a 42WH battery – thats 3.5AH from the 12V. The charger is not as fast as the PC charger and it charges at about 20% per hour. But it seldom drops below 70% charge so once again it seldom if ever “sees” the leisure battery.
We also have a mifi unit running continuously I don’t know how much power it takes as it seems to take it in very infrequent short bursts – but I don’t think it’s much.
PDU
When in “normal” operation, i.e. providing the capability to be able to switch on lights and get water from the tap, the PDU takes 0.75 amps.
Now most folk will leave it switched on overnight, so as not to have to stumble in the dark to the badly positioned control panel to put the lights and the water on. Most folk will, in all probability leave it switched on all the time they are in the van. Let’s say a conservative 16 hours a day – that’s 12AH.
Now this can be reduced but its a major inconvenience to have to remember to switch off the lighting circuits and the water circuits when not using them. And the penalty for forgetting could be a flat and possibly damaged leisure battery, not to mention the impact on the trip.
Now the PDU has some handy functions. It can measure the inside and outside temperature, the vehicle and habitation battery voltage and give an indication of the fresh water tank level and an alarm about the waste water level. So I did not want to ditch it. (I later found out that all of these measurements either did not work or were highly inaccurate)
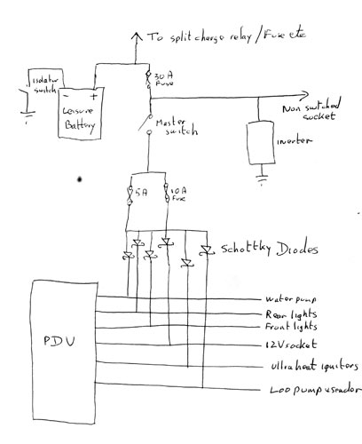
Solution:- I installed a self designed and built PDU bypass circuit.

This “master switch” enables the lights to be operated, the water to be run, the loo to flush, the heaters to start, the heater fan to run, the gas cooker to light, and the 12V power to be available when the PDU is “off”. Spin offs are that we can operate the lights when travelling, (very unusual but its handy occassionally) and we can leave some minimal lighting switched on at night and switch off at the master switch, which is just beside the bed. So if we need to get up, one switch will provide power to a habitation area light, the loo light, the water and the loo pump.
So how am I doing?
When we are touring in the van, PDU and igniters take 3.8AH per day. The lights etc take 2AH and the phones etc take 1AH so we are looking at around 7AH per day. .
Or 49AH per week. If I use the isolator when the van is parked for a half day it will be less. I need to drive for around 3 hours a week to keep that charge or maybe 90 miles. If I don’t manage it I need a hookup or a top up, but probably only once a fortnight or more. I think that in practice I won’t need a hook up at all.
As standard the Nuevo would need a hook up every second or third day.
It’s working fine so far. It’s December so the lighting and the heater fan are at around the maximum usage. When we go on a long trip, the battery will in all probability not run down, and it will almost certainly get topped up on the longer trip back. Then I operate the isolator switch and it will be still charged when we set of on the next adventure.
Total expenditure has been under £50.
Addendums
Solar Panels
A number of people have asked me why I did not want to go the solar panel route. Here are the main reasons (not in any particular order):-
- Expense
- Complication (charge control circuit and wiring it in)
- Installation (holes in roof)
- Reliability issues (more to go wrong)
- Maintenance (cleaning of the bird poop and other muck)
- Efficiency – I use the van all year round – Not a lot of sun in winter and none under an inch or more of snow or even a few leaves)
- Weight – most folk seem to have a huge battery bank as well as the solarpanels. I guess this is to cover the periods when the sun don’t shine
- Elegance!! I’m an engineer – throwing technology at what should be a simple problem just goes against the grain.
General usage
A few have also suggested that I am “roughing it” in some way. I use the lights, heating, and watch TV (on a laptop) the same as anyone else. My use of the van when wild camping is the same as anyone else’s.
Heating
A few features of the van help with this. It’s fairly small, well insulated, with blinds on all windows and, importantly, the skylights, so its easily heated. The gas heater (a trumatic) does not need battery power to make the van cosy. It doesn’t even need the 12V to start – it has its own battery. The fridge is gas and we cook with gas.
We have a 6Kg and a 13Kg gas bottle. The 6Kg lasted us two weeks in late November and early December. I would expect a month of the 13Kg one in winter – not bad for £26.
The Battery
I don’t know the history of the battery. It was in the van when I bought it. I inadvertently discharged it once to 7.4V which was what prompted this project.
It is rated at 70AH.
Now a split charge relay will generally only charge a leisure battery up to about 85%. So it’s 60AH really.
A leisure battery can be discharged to 20%, but it will last far longer if it doesn’t fall below 50%.so there is only 25-45AH to spare. With my normal usage I could “park up” for 3-6 days if the battery was in tip top condition (maybe it ain’t!). I will probably replace it with a bigger one in the spring when I start attending festivals.
However since the mods we have lived in the van continually for 9 days (so far and with usual incidental short trips) and the battery voltage seems fine.
If the battery should get low, I did some rough measurements to show that it costs about 70p per hour to run the engine on tickover. I haven’t had to resort to this though since I installed the PDU bypass system. I get about 18A from the alternator so around 45 mins running will give me three days supply.
Conclusions
If you always use EHU then this article is probably not a lot of use to you – although you may find the battery isolator switch very handy.
If you have a large motorhome with multiple rooms that need blown air for heating, this article will be of limited use.
If you have a small motorhome, and indulge in off site camping then some of the ideas here may be relevant to you.
Whatever – have fun.
The alternative approach 3/10/2022
This is from a post in the wild camping website.I thought I would update the performance of my new Roamer 460ah lithium battery. We have been out in the van since 20th August, returning home on the 22nd September,and we have used the electric kettle about 6 times per day, electric toaster most days, air frier every day, microwave every day, Lorraine has used her 2600 Watt hair drier every other day plus a halogen hob ring quite a few times as well as charging phones, laptops and my drone batteries every day, we have had electric hook up a couple of times, but I have never had to switch the on board charger on, also we have travelled for about 15 hours in total, and I do have 525W solar panels, so with all that the battery has had thrown at it the unit has never dropped below 80% and the smart BMS has now began to condition the cells and the unit is sitting at 495ah when 100% full. I am over the moon with the battery, it was not cheap but I would never go back to lead acid again.
Each to his own.